Stainless Steel 90° Elbow with Plain End V Profile

Fittings Material:
● Stainless Steel 1.4301 (AISI 304)
● Stainless Steel 1.4404 (AISI 316L)Working Pressure:
Max 16 bar

Info Product

Category:

Description


Stainless Steel 90° Elbow (Plain End) – Product Specification


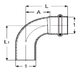
Dimensional Specifications – ③ EN Standard

Stainless Steel 90° Elbow with Plain End V Profile
Stainless Steel 90° Elbow with Plain End V Profile
OD (mm) THK (mm)
15 1.50
18 1.50
22 1.50
28 1.50
35 1.50
42 1.50
54 1.50
76.1 2.00
88.9 2.00
108 2.00

Advantages of Fittings

  • **Easy Assembly**: Practical and convenient.
  • **Quick Installation**: Saves hours of labour.
  • **Safe and Approved**: Guaranteed system with certifications.
  • **Simplified Labour**: No need for specialised personnel (just a press tool).
  • **Flameless Connection**: Enhances safety by eliminating the need for naked flames.

O-Ring Material Characteristics and Application

The **rubber O-ring** is critical for the sealing and sanitary performance. Aquinox O-rings use **imported rubber compounds**, manufactured under strict controls and comply with **GB/T 19228.3-2012**. Drinking water options meet the **GB/T 17219** standard, with **EU DVGW-compliant** O-rings available. Materials resist hot water, ageing, and common drinking-water additives. Multiple compounds supplied based on application.

Detailed view of Aquinox O-ring materials for press fittings

O-Ring Compatibility Chart:
Material Color Temperature Range Max. Working Pressure (MPa) Application
EPDM Black -40°C – 150°C 2.5 Hot & Cold Water; Drinking Water
SI White -20°C – 200°C 2.5 Hot & Cold Water; Drinking Water
SI (Import) Claret -20°C – 200°C 2.5 Fire; Steam; Solar
NBR Yellow -30°C – 120°C 2.5 Gas & Oil
HNBR Green -30°C – 180°C 2.5 Gas
FKM Brown -30°C – 250°C 2.5 Industrial & Chemical

Press-Fit Installation Method

Step-by-step installation guide for Aquinox press fittings